VCM_1414型多頻彩色顯示器電源電路原理圖。
2016-03-25 10:19:29
39 彩色顯示器電路圖-FM1439型
2008-07-13 15:41:15
EMC EM-1型彩色顯示器的電源電路
2009-06-15 19:11:47
667 
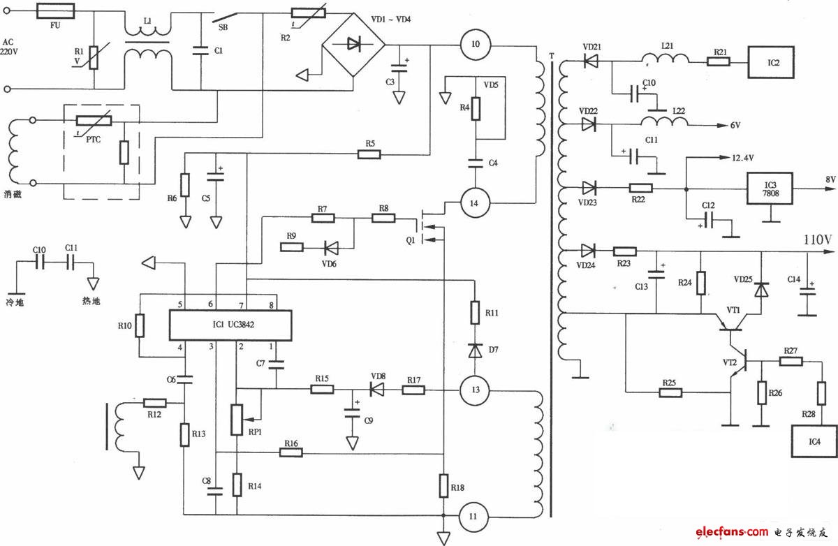
EGM E-1411彩色顯示器電源電路圖
2009-06-15 19:10:37
601 
DELL VI-1428型SVGA彩色顯示器電源電路圖
2009-06-15 19:10:06
1076 
CTX-C1435型TTL和VGA多頻彩色顯示器電源電路圖
2009-06-15 19:05:36
534 
CTX-C146型EGA彩色顯示器電源電路圖
2009-06-15 19:05:05
833 
CTX C2型雙頻高分辨率彩色顯示器電源電路圖
2009-06-15 09:33:08
663 
CONPAQ 420G型SVGA彩色顯示器電源電路圖
2009-06-15 09:32:22
604 
COMPAQ 1504型TTL彩色顯示器電源電路圖
2009-06-15 09:30:48
578 
COMPAQ 460 461型VGA多頻彩色顯示器電源電路圖
2009-06-15 09:29:35
636 
COMPAQ 420型VGA彩色顯示器電源電路圖
2009-06-15 09:29:03
715 
CASPER TM-5159型VGA彩色顯示器電源電路圖
2009-06-15 09:28:17
615 
CASPER TM-5158型VGA彩色顯示器電源電路圖
2009-06-15 09:27:34
525 
CASPER TM-5154H Y型多頻彩色顯示器電源電路圖
2009-06-15 09:26:01
504 
BOLLUS BST-314型TTL和VGA多頻彩色顯示器電源電路圖
2009-06-15 09:23:18
607 
AST MPX-2型彩色顯示器的電源電路圖
2009-05-15 22:26:44
416 
AST MPX-1型彩色顯示器的電源電路圖
2009-05-15 22:25:47
494 
AST GM-8T型SVGA彩色顯示器電源電路圖
2009-05-15 22:25:09
530 
AST GM-6型SVGA彩色顯示器的電源電路圖
2009-05-15 22:24:17
451 
AST ECDI-I型VGA彩色顯示器的電源電路圖
2009-05-15 22:23:14
406 
AST ECDI-II型EGA和CGA彩色顯示器電源電路圖
2009-05-15 22:22:29
472 
AST CM-6P型SVGA彩色顯示器電源電路圖
2009-05-15 22:21:47
545 
AST-4型彩色顯示器電源電路圖
2009-05-15 22:20:43
313 
AST-3型彩色顯示器電源電路圖
2009-05-15 22:20:01
432 
AST-2型彩色顯示器電源電路圖
2009-05-15 22:19:00
420 
AST-1型彩色顯示器電源電路圖
2009-05-15 22:18:10
460 
AOC CM-333型彩色顯示器電源電路圖
2009-05-15 22:17:21
924 
AOC CM-314型彩色顯示器電源電路圖經(jīng)
2009-05-15 22:16:21
866 
AOC CM-313型彩色顯示器電源電路圖
2009-05-15 22:15:28
864 
AM A-4040型彩色顯示器電源電路圖
2009-05-15 22:14:48
505 
AST-TE1498型多頻彩色顯示器電源電路圖
2009-05-15 18:43:59
355 
AST-1401型VGA彩色顯示器電源電路圖
2009-05-15 18:20:29
671 
VGA多頻彩色顯示器的電源電路圖
2009-01-07 15:40:14
41 TTL彩色顯示器的電源電路圖
2009-01-07 15:38:56
27
VGA 彩色顯示器CASPER TM-5159型電源
2009-01-07 15:35:52
25 FM1439型微機(jī)彩色顯示器電路原理圖
2007-09-30 22:05:39
32 WYSE VGA-670型彩色顯示器的電源電路圖
2006-04-19 22:25:18
32 VOLTRON V-1501型彩色顯示器的電源電路圖
2006-04-19 22:24:36
31 VGA V-1415型SVGA多頻彩色顯示器的電源電路圖
2006-04-19 22:23:54
28 VGA V-1412型EGA彩色顯示器的電源電路圖
2006-04-19 22:22:33
22 TYSTAR TY-1412型SVGA彩色顯示器的電源電路圖
2006-04-19 22:19:57
24 TYSTAR TY-1411型彩色顯示器的電源電路圖
2006-04-19 22:19:09
27 TOPCON CN-1402型SVGA彩色顯示器的電源電路圖
2006-04-19 22:18:20
24 SUPERSYNC EM-1428型彩色顯示器的電源電路圖
2006-04-19 22:17:31
19 SUPERSYNC PWB-1537型彩色顯示器的電源電路圖
2006-04-19 22:16:39
29 SUPERSYNC OCT-14VGA型彩色顯示器的電源電路圖
2006-04-19 22:15:38
28 SUPERSYNC PWB-1509型彩色顯示器的電源電路圖
2006-04-19 22:11:17
49 SUPERSYNC MD-14III型彩色顯示器的電源電路圖
2006-04-19 22:10:40
12 SUPERSYNC PWB-1505型彩色顯示器的電源電路圖
2006-04-19 22:09:34
34 SUPERSYNC PWB-1369型彩色顯示器的電源電路圖
2006-04-19 22:07:52
4 SUPERSYNC MD-11III型彩色顯示器的電源電路圖
2006-04-19 22:07:17
37 SUPERSYNC PWB-1293彩色顯示器的電源電路圖
2006-04-19 22:05:31
4 SUPERSYNC PWB1291彩色顯示器的電源電路圖
2006-04-19 22:05:08
5 SUPERYNC PWB-1290彩色顯示器的電源電路圖
2006-04-19 22:04:37
97 SUNLIHT SM-546型彩色顯示器的電源電路圖
2006-04-19 22:03:17
20 SUNLIHT SM-348型彩色顯示器的電源電路圖
2006-04-19 22:02:33
27 SUNLIHT SM-1416型彩色顯示器的電源電路圖
2006-04-19 22:01:33
22 SHARP SK-180型高分辨率彩色顯示器的電源電路圖
2006-04-19 21:57:16
28 SHARP K-160/170型彩色顯示器的電源電路圖
2006-04-19 21:56:18
31 SAMSUNG KX-700型多頻大屏幕彩色顯示器的電源電路圖
2006-04-19 21:55:18
36 SAMSUNG CK-4656型彩色顯示器的電源電路圖
2006-04-19 21:51:30
31 SAMSUNG CK-4114型彩色顯示器的電源電路圖
2006-04-19 21:50:32
30 SAMPO KOS-1429型彩色顯示器的電源電路圖
2006-04-19 21:49:32
24 SAMPO KDS-14A型VGA彩色顯示器的電源電路圖
2006-04-19 21:48:42
47 SAMPO KDS-1342E型彩色顯示器的電源電路圖
2006-04-19 21:47:48
25 SAMPO KDS-1300NE型彩色顯示器的電源電路圖
2006-04-19 21:46:55
22 QUICK QM-1493型VGA彩色顯示器的電源電路圖
2006-04-19 21:46:02
37 PMV-P-14VC型彩色顯示器的電源電路圖
2006-04-19 21:42:41
36 PGS HX-12型彩色顯示器的電源電路圖
2006-04-19 21:41:45
34 PARCO LFVDX-1448型SVGA彩色顯示器的電源電路圖
2006-04-19 21:40:50
39 OPCON CN-1405型彩色顯示器的電源電路圖
2006-04-19 21:39:50
22 MC1401型VGA彩色顯示器的電源電路圖
2006-04-19 21:26:28
43 LYMIC 214S型SVGA多頻彩色顯示器的電源電路圖
2006-04-19 21:25:22
47 LEO SRC-1498型SVGA多頻彩色顯示器的電源電路圖
2006-04-19 21:23:07
32 LEO SRC-1491型多頻彩色顯示器的電源電路圖
2006-04-19 21:22:03
34 LEO LX-SVGA型多頻彩色顯示器的電源電路圖
2006-04-19 21:11:31
30 IBM PC-II型彩色顯示器的電源電路圖
2006-04-19 20:48:23
27 IBM 8512-001型彩色顯示器的電源電路圖
2006-04-19 20:46:25
35 IBM 5153-002型彩色顯示器的電源電路圖
2006-04-19 20:44:12
55 IBM 3196-001型彩色顯示器的電源電路圖
2006-04-19 20:41:50
31 IBM 2110-002型SVGA彩色顯示器的電源電路圖
2006-04-19 20:40:41
33 HVT H-1410型彩色顯示器的電源電路圖
2006-04-19 20:39:21
35 GREAT WALL GW-400型VGA彩色顯示器的電源電路圖
2006-04-19 19:52:36
26 GREAT WALL GW-300/300C型彩色顯示器的電源電路圖
2006-04-19 19:51:25
19 GERAT WALL GW-200/200H型彩色顯示器的電源電路圖
2006-04-19 19:42:07
33 FUJITSU FMV-DPS84Y2型SGVA彩色顯示器的電源電路圖
2006-04-19 19:39:59
22 FUJITECH型彩色顯示器的電源電路圖
2006-04-19 19:38:35
21 FREFROMT MTS-9600型彩色顯示器的電源電路圖
2006-04-19 19:36:57
25 ERGO TY-1415型彩色顯示器的電源電路圖
2006-04-19 19:35:26
25 ENVISION EC-1469型SVGA彩色顯示器的電源電路圖
2006-04-19 19:31:42
27 ENVISION EC-1468型SVGA多頻彩色顯示器的電源電路圖
2006-04-19 19:30:23
24 ENVISION EC-1439型彩色顯示器的電源電路圖
2006-04-19 19:29:08
32 ENVISION CM-336337型多頻彩色顯示器的電源電路圖
2006-04-19 19:28:13
31 ENVISION CM-335F型VGA彩色顯示器的電源電路圖
2006-04-19 19:26:44
23
評(píng)論